
耐震压力表YN-60/100/150广泛适用于适用于环境剧烈振动场所,可耐受介质的脉动,冲击及突然卸荷
YN-60/100/150系列耐震压力表具有良好的抗振性能,特别适用于环境剧烈振动场所,可耐受介质的脉动,冲击及突然卸荷。耐震压力表可测量无爆炸危险、无结晶体、不凝固以及对铜合金不起腐蚀作用的液体、气体、蒸汽等介质的压力。
一、技术参数:
1.仪表执行标准:Q/320211 DGH01-2003
2.耐震压力表型号表示:
| 型号 | 结构形式 | 精度(%) | 压力范围(MPa) | 使用环境条件 |
| YN-60 | 径向无边 | ±2.5 | 0~0.16 0~0.25 0~0.4 0~0.6 0~1.0 0~1.6 0~2.5 0~4 0~6 0~10 0~16 0~25 0~40 0~60 0~100 | 周围环境温度为: -5~55℃;-25~55℃。 使用工作环境振动频率 不大于25Hz,振幅不大于1mm |
| YN-60T | 径向带后边 | |||
| YN-60Z | 轴向无边 | |||
| YN-60ZT | 轴向带前边 | |||
| YN-100 | 径向无边 | ±1.6 | ||
| YN-100T | 径向带后边 | |||
| YN-100Z | 轴向无边 | |||
| YN-100ZT | 轴向带前边 | |||
| YN-150 | 径向无边 | |||
| YN-150T | 径向带后边 | |||
| YN-150Z | 轴向无边 | |||
| YN-150ZT | 轴向带前边 |
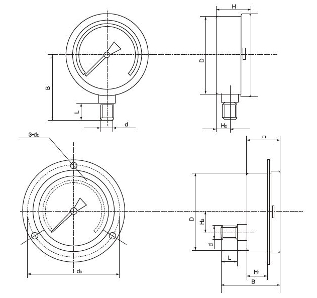
二、耐震压力表尺寸说明:

| 型 号 | D | H | H2 | B | D2 | d0 | d | L | H1 |
| YN-60 | Φ60 | 32 | 13 | 55 | M14*1.5 | 14 | 22 | ||
| YN-60ZT | 0 | 65 | 4.5 | 76 | |||||
| YN-100 | Φ100 | 44 | 18 | 90 | M20*1.5 | 20 | 27 | ||
| YN-100ZT | 30 | 90 | 5.5 | 118 | |||||
| YN-150 | Φ150 | 44 | 18 | 120 | M20*1.5 | 20 | 27 | ||
| YN-150ZT | 55 | 95 | 5.5 | 165 |
YN-60/100/150耐震压力表
YN-60/100/150B不锈钢耐震压力表
RBZK-100/150耐震膜盒压力表
RBZK-100/150B不锈钢耐震膜盒压力表
RBZK-N-100/150耐震电接点压力表
RBZK-N-100/150B不锈钢耐震电接点压力表
YN-60/100/150/MF/ML耐震隔膜压力表
YN-60/100/150B/MF/ML不锈钢耐震隔膜压力表